关闭
网站首页
产品展示
关于我们
新闻中心
企业相册
下载中心
联系我们

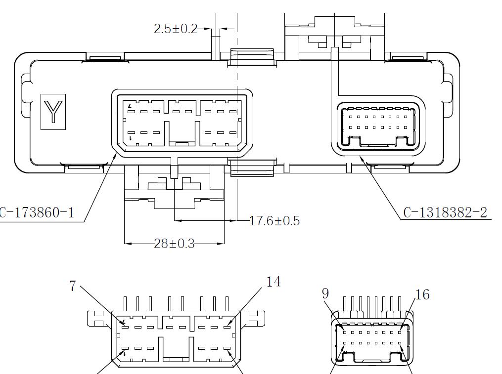
EBX-2162(雨刮控制模块)

  • 热线电话

    13974885210

  • 微信公众号

    扫一扫,立即报价

13974885210






主要技术规格:

A. 电源输入工作电压范围18 ~ 32V;

B.工作温度范围:-40℃~+80℃;

C.贮存温度范围:-40℃~ +90℃;

D. 静态电流≤2mA;

E.具有过压保护、过流保护、短路保护、过热温度保护, 四重安全保护功能;

F. 1路can通讯;

G.防护等级:IP53;

H.可根据实际使用情况随意安装。

I.功能及通讯协议可按实际需求定制。

其他产品
相关文章
我要询价
×