



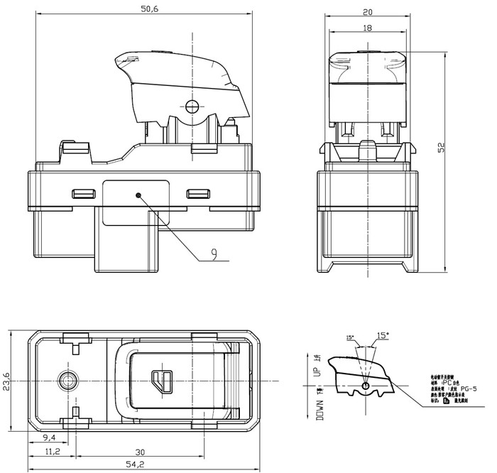
技术要求
1 按图示位置装配到位,按键转动灵活、无卡滞等现象;
2 额定电压:12V 工作电压范围:9~16V
开关承载最大电流:25A 电机堵转开关保护电流:12±0.7A;
3 工作温度范围:-40°C~80°C;
4 电压降:≤300mV;
5 绝缘抵抗:在50Hz实际正弦波550V电冲击下,各绝缘体之间(外壳之间、导电端子之间)不被击穿,绝缘电阻≥5MΩ;
6 按键力:5±1.5N;
7 开关标识采用镭射雕刻工艺;
8 开关上图形标志应符合ISO2575的规定;
9 耐久性疲劳要求:30000次试验后性能应满足开关功能要求;
10 产品适用标准:QC/T198-1995汽车用开关通用技术条件;